
| |||||
Доступен для заказа по согласованию с менеджером. Звоните.
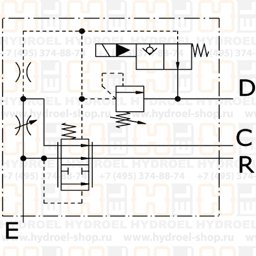
Трехлинейный регулятор расхода VPR/3/EP 114+VMP+VE.NA/LPD/V/VDS.TS/ac, арт. 1635062102 предназначен для регулирования потока рабочей жидкости в трех направлениях. Подходит для применений, где требуется постоянная перенастройка расхода в процессе работы.
Трехлинейный регулятор расхода VPR/3/EP 114+VMP+VE.NA/LPD/V/VDS.TS/ac, арт. 1635062102 компенсирован по давлению.